【所在楼层】:27楼
【建筑面积】:125,全是公摊

【装修风格】:现代
【包工方式】:半包
【装修公司】:叁缘堂
【设计师】 :周小俊(效果一流,让我知道了什么是3DMAX)
【现场监理】:王总(金牌监理,经验十足,叹为观止)【装修预算】 :预算是什么好吃吗?
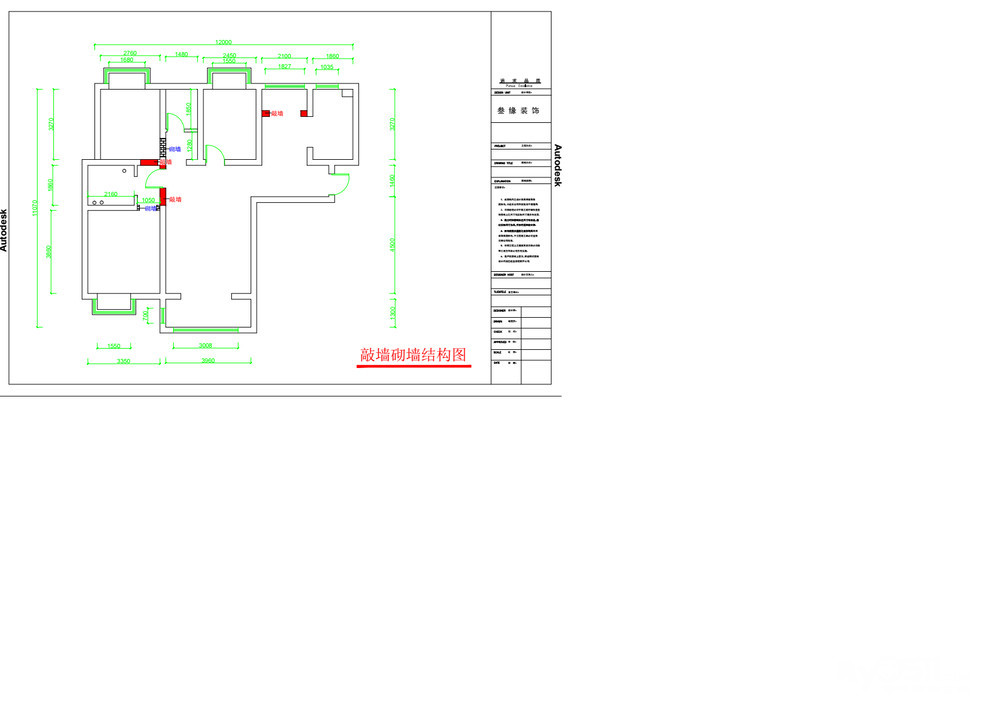
原始户型
[ 本帖最后由 OscarRobertson 于 2019-6-25 08:55 编辑 ]
,这么多年过去了也不知道还有没有人记得我,认识我的人出来冒个泡吧~~~~~第一条重大新闻,3DMax效果视频新鲜出炉~详见第51楼http://bbs.my0511.com/f95b-t7208040z-2#pid108482953
,难道我看错他了?他不是大O这样刚烈的汉子
?按照周总神采奕奕的话说,设计要有创新、有个性,要有特点,要与众不同。好的设计师相比材料、工艺和平面布局更关注风格的选择,材质和色彩的搭配。好的设计师更关注整体方案的设计,也就是不仅对比平面设计图,更关注效果图的呈现。因为只有效果图才能更好的呈现未来家中材质、风格、颜色的设计。有人会认为效果图做的好不好不要紧,只要实际装修的好看就可以了,但这个思路是有问题的,一个专业的设计设计师连效果图都做不好或者不自己做,说明最基本设计的工具都没有掌握好。还有,效果图其实是三维设计的过程,里面会考虑到材质、灯光、色彩等各种的搭配和设计,这正是设计师需要经历的思考过程,不经历这些翻来覆去的反复设计和修改怎么可能拿的出好作品来?。。。。。。大概他说的差不多就是这个意思吧,不要在意细节。

好在有老办法,度娘一下,你就知道~