收藏本站
客户端
扫码下载客户端
官方微信
打开微信扫一扫
登录
|
注册
|
标题
标题
用户
全站首页
|
论坛导航
|
网络问政
|
招聘求职
|
买房租房
|
装修频道
|
生活服务
|
教育
|
相亲
|
亲子
|
美食
|
婚嫁
|
手机客户端
家有学子
|
母婴乐园
快捷导航
精彩推荐:
MY0511客户端下载
中信银行镇江分行
公益体彩 乐善人生
鹏龙鸿蒙
天然石材·人造石
»
梦溪论坛
»
家庭装修
»
镇江波涛装饰
» 滴翠园丁先生吉宅2020年3月24日开工大吉——设计师朱行行、陈婷婷——项目管家殷军华
镇江波涛装饰
>
[在建工地]
滴翠园丁先生吉宅2020年3月24日开工大吉——设计师朱行行、陈婷婷——项目管家殷军华
查看: 3242 回复: 6
快速回复
返回镇江波涛装饰
[在建工地]
滴翠园丁先生吉宅2020年3月24日开工大吉——设计师朱行行、陈婷婷——项目管家殷军华
查看: 3242 回复: 6
上一主题
|
下一主题
波涛装饰客服1
来自 江苏省
精华
5
注册 2018-4-18
滴翠园丁先生吉宅2020年3月24日开工大吉——设计师朱行行、陈婷婷——项目管家殷军华
恭喜丁先生吉宅9:58分开工大吉
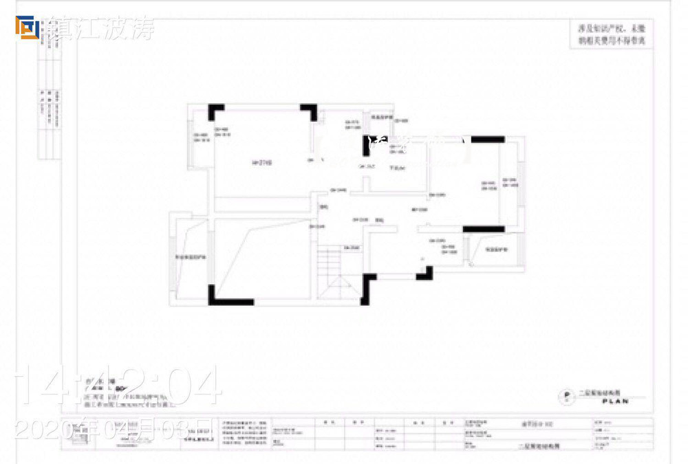
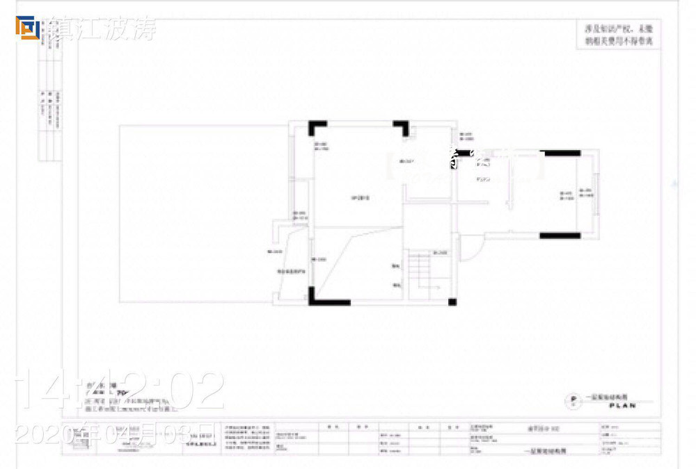
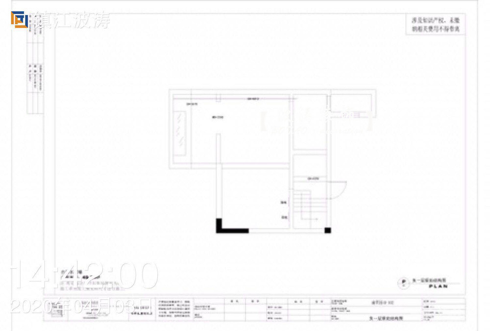
【楼盘名称】滴翠园
【设计师】朱行行陈婷婷
【项目管家】殷军华
【项目总监】张志强
感谢丁先生一家对波涛装饰的信任与支持
预约电话? :400-0511-208
[
本帖最后由 波涛装饰客服1 于 2020-4-3 07:22 编辑
]
已有
0
人打赏
2020-3-24 11:01
1楼
MY0511相亲,一分钟注册,享一辈子幸福!
只看该作者
分享本楼
波涛装饰客服1
来自 江苏省
精华
5
注册 2018-4-18
最新活动
http://bbs.my0511.com/f1083b-t7317518z-1#pid112370175
作品欣赏
http://bbs.my0511.com/f1083b-y499p
在建工地
http://bbs.my0511.com/f1083b-y497p
装修课堂
http://bbs.my0511.com/f1083b-y500p
2020-3-24 11:02
2楼
[联宇电脑] 电脑组装\维修\升级\企业单位电脑维护!
只看该作者
分享本楼
波涛装饰
专版版主
来自 江苏省
精华
173
注册 2015-4-10
行业 房产建筑
前期土建拆除施工中
前期拆除已结束,目前地下式楼梯现浇面已浇好
[
本帖最后由 波涛装饰 于 2020-4-15 15:41 编辑
]
2020-4-1 13:42
3楼
[联宇电脑] 电脑组装\维修\升级\企业单位电脑维护!
只看该作者
分享本楼
波涛装饰
专版版主
来自 江苏省
精华
173
注册 2015-4-10
行业 房产建筑
扫码看装修直播
扫码看装修直播
[
本帖最后由 波涛装饰 于 2020-9-17 15:53 编辑
]
2020-9-6 16:38
4楼
MY0511相亲,一分钟注册,享一辈子幸福!
只看该作者
分享本楼
波涛装饰
专版版主
来自 江苏省
精华
173
注册 2015-4-10
行业 房产建筑
目前阶段:水电电路重排阶段更新内容:U型卡固定注(线管用U型卡固定,固定好的卡型要美观, 接头必须固定,线管管卡固定应离线盒10cm,管卡间距为0.8米)吊顶内规范(吊顶内的电线管应(弹墨斗线)固定在顶面,接线盒应用八角盒.线盒与线管必须用锁母连接并加盖板,使用波纹管,其波纹管长度为10cm,电线长度不应超过1m,且旋转缠绕好)线盒、线管连接(所有线管与线盒必须用锁母连接,凡是利用老线管或移位的必须将线盒拆除,新管与老管连接必须插入)线盒加临时盖板保护线盒必须在出水口上方、热水器排烟管与水电管安全距离10cm洗脸盆、洗衣池、洗衣机排水管不能直通加装地漏,地漏排水另行改装;l
2020-9-17 15:55
5楼
MY0511相亲,一分钟注册,享一辈子幸福!
只看该作者
分享本楼
波涛装饰
专版版主
来自 江苏省
精华
173
注册 2015-4-10
行业 房产建筑
目前阶段:瓦工更新内容:瓦工师傅地暖豆石找平施工中,材料全部袋装化,现场准备了两块九厘板,瓦工在板子施工,不会影响地暖和损坏
2020-9-17 15:57
6楼
找工作,就上MY0511!
只看该作者
分享本楼
波涛装饰
专版版主
来自 江苏省
精华
173
注册 2015-4-10
行业 房产建筑
目前阶段:瓦工阶段更新内容:地面找平所有瓷砖开孔必须全部圆孔,线盒与线盒之间不允许割通淋浴房挡水条应用沙浆在贴砖前铺贴完毕.
2020-9-17 15:58
7楼
MY0511相亲,一分钟注册,享一辈子幸福!
只看该作者
分享本楼
返回镇江波涛装饰
快速回复主题
游客
您目前还是游客,请
登录
或
注册
您目前是游客,本帖已被系统设置了自动关闭,不可回复!
文明交流,理性发言
0/5000字
<
>
请在打开的新窗口中支付完成打赏
我已完成支付打赏
支付失败重新支付
其他金额
打赏金额:
元
确定
支付打赏
提 现
打赏人
打赏金额(元)
打赏时间
Powered by
Discuz! X 2
0.044463 s
清除 Cookies
-
镇江网友之家
-
手机版
论坛导航
关闭
吃喝玩乐
饮食男女
镇江钓友之家
菜菜鸟户外
镇江单车俱乐部
镜头里的镇江
畅游天下
猫狗总动员
视觉Coffeeshop摄影部落
花鸟鱼虫
婚姻.亲子.家庭
家有学子
谈婚论嫁
女性天地
母婴乐园
婚姻生活
梦溪佳缘
装修
家庭装修
装修招标
镇江室内设计师交流
装修商家直通车
你好,镇江!
百姓话题
我要买房
0511爱心家园
市场监管•12315热线
分类信息
生活服务
闲置转让
镇江二手房/镇江租房
镇江招聘求职
教育培训
镇江二手车
商铺厂房写字楼租售
宠物市场
运动健身
卡券交易
电脑维修升级
杂货铺
其他分类信息区
兴趣爱好
HiFi音响江城沙龙
镇江市美术家协会
我爱模型
车友俱乐部
车迷之家
汽车驾培中心
运动俱乐部
镇江市冬泳、铁人三项协会
聚焦足球
镇江羽毛球
镇江乒乓球协会
镇江网球协会
镇江市自行车运动协会
热爱篮球
动力机车
合作栏目
维权热线
天翼时代
色觉影像摄影工作室
站务区
疑问与建议
网络问政
市政府工作部门
垂直管理部门
党群工作部门
其他重点单位
辖市(区)